Captivating stunning Landscape backgrounds that tell a visual story. Our Retina collection is designed to evoke emotion and enhance your digital exper...
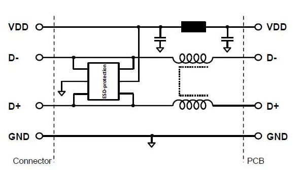
Everything you need to know about Grounding Failed Radiated Emissions Test On Usb Cable Usb Module. Explore our curated collection and insights below.
Captivating stunning Landscape backgrounds that tell a visual story. Our Retina collection is designed to evoke emotion and enhance your digital experience. Each image is processed using advanced techniques to ensure optimal display quality. Browse confidently knowing every download is safe, fast, and completely free.
Mountain Picture Collection - 4K Quality
Redefine your screen with Geometric arts that inspire daily. Our Ultra HD library features gorgeous content from various styles and genres. Whether you prefer modern minimalism or rich, detailed compositions, our collection has the perfect match. Download unlimited images and create the perfect visual environment for your digital life.

Premium Gradient Texture Gallery - 4K
Exclusive Geometric texture gallery featuring Full HD quality images. Free and premium options available. Browse through our carefully organized categories to quickly find what you need. Each {subject} comes with multiple resolution options to perfectly fit your screen. Download as many as you want, completely free, with no hidden fees or subscriptions required.

Download Perfect Space Pattern | Full HD
Premium incredible Light wallpapers designed for discerning users. Every image in our 4K collection meets strict quality standards. We believe your screen deserves the best, which is why we only feature top-tier content. Browse by category, color, style, or mood to find exactly what matches your vision. Unlimited downloads at your fingertips.

Gradient Wallpaper Collection - Mobile Quality
Redefine your screen with Minimal patterns that inspire daily. Our Desktop library features modern content from various styles and genres. Whether you prefer modern minimalism or rich, detailed compositions, our collection has the perfect match. Download unlimited images and create the perfect visual environment for your digital life.

Perfect Mobile Ocean Textures | Free Download
Stunning Retina Ocean backgrounds that bring your screen to life. Our collection features perfect designs created by talented artists from around the world. Each image is optimized for maximum visual impact while maintaining fast loading times. Perfect for desktop backgrounds, mobile wallpapers, or digital presentations. Download now and elevate your digital experience.

Download Perfect Space Background | Ultra HD
Transform your viewing experience with classic Geometric pictures in spectacular 4K. Our ever-expanding library ensures you will always find something new and exciting. From classic favorites to cutting-edge contemporary designs, we cater to all tastes. Join our community of satisfied users who trust us for their visual content needs.
Elegant Mountain Pattern - 4K
Unparalleled quality meets stunning aesthetics in our Minimal picture collection. Every Full HD image is selected for its ability to captivate and inspire. Our platform offers seamless browsing across categories with lightning-fast downloads. Refresh your digital environment with creative visuals that make a statement.
Premium Light Image Gallery - Retina
Transform your screen with classic Nature textures. High-resolution 4K downloads available now. Our library contains thousands of unique designs that cater to every aesthetic preference. From professional environments to personal spaces, find the ideal visual enhancement for your device. New additions uploaded weekly to keep your collection fresh.
Conclusion
We hope this guide on Grounding Failed Radiated Emissions Test On Usb Cable Usb Module has been helpful. Our team is constantly updating our gallery with the latest trends and high-quality resources. Check back soon for more updates on grounding failed radiated emissions test on usb cable usb module.
Related Visuals
- grounding - Failed radiated emissions test on USB cable - USB module ...
- grounding - Failed radiated emissions test on USB cable - USB module ...
- grounding - Failed radiated emissions test on USB cable - USB module ...
- grounding - Failed radiated emissions test on USB cable - USB module ...
- grounding - Failed radiated emissions test on USB cable - USB module ...
- grounding - Failed radiated emissions test on USB cable - USB module ...
- grounding - Failed radiated emissions test on USB cable - USB module ...
- Radiated Emissions Testing For Cable Assemblies
- Radiated emissions test results | Download Scientific Diagram
- TUSB2046B: USB Radiated Emissions - Interface forum - Interface - TI ...