Explore this collection of High Resolution Ocean pictures perfect for your desktop or mobile device. Download high-resolution images for free. Our cur...
Everything you need to know about High Precision Adc Board Design Electrical Engineering Stack Exchange. Explore our curated collection and insights below.
Explore this collection of High Resolution Ocean pictures perfect for your desktop or mobile device. Download high-resolution images for free. Our curated gallery features thousands of modern designs that will transform your screen into a stunning visual experience. Whether you need backgrounds for work, personal use, or creative projects, we have the perfect selection for you.
Best Dark Backgrounds in Desktop
Browse through our curated selection of beautiful Minimal wallpapers. Professional quality Mobile resolution ensures crisp, clear images on any device. From smartphones to large desktop monitors, our {subject}s look stunning everywhere. Join thousands of satisfied users who have already transformed their screens with our premium collection.

Colorful Picture Collection - Mobile Quality
Explore this collection of HD City patterns perfect for your desktop or mobile device. Download high-resolution images for free. Our curated gallery features thousands of perfect designs that will transform your screen into a stunning visual experience. Whether you need backgrounds for work, personal use, or creative projects, we have the perfect selection for you.

Best Nature Illustrations in Desktop
Unparalleled quality meets stunning aesthetics in our Ocean background collection. Every HD image is selected for its ability to captivate and inspire. Our platform offers seamless browsing across categories with lightning-fast downloads. Refresh your digital environment with elegant visuals that make a statement.

Premium Nature Image Gallery - High Resolution
Find the perfect Nature illustration from our extensive gallery. 8K quality with instant download. We pride ourselves on offering only the most modern and visually striking images available. Our team of curators works tirelessly to bring you fresh, exciting content every single day. Compatible with all devices and screen sizes.

Perfect Retina City Images | Free Download
Experience the beauty of Sunset pictures like never before. Our 4K collection offers unparalleled visual quality and diversity. From subtle and sophisticated to bold and dramatic, we have {subject}s for every mood and occasion. Each image is tested across multiple devices to ensure consistent quality everywhere. Start exploring our gallery today.

Premium City Illustration Gallery - 8K
Discover a universe of amazing Vintage illustrations in stunning 8K. Our collection spans countless themes, styles, and aesthetics. From tranquil and calming to energetic and vibrant, find the perfect visual representation of your personality or brand. Free access to thousands of premium-quality images without any watermarks.
Premium Landscape Photo Gallery - Mobile
Download artistic Mountain designs for your screen. Available in Full HD and multiple resolutions. Our collection spans a wide range of styles, colors, and themes to suit every taste and preference. Whether you prefer minimalist designs or vibrant, colorful compositions, you will find exactly what you are looking for. All downloads are completely free and unlimited.
Space Illustration Collection - 4K Quality
Immerse yourself in our world of ultra hd Ocean designs. Available in breathtaking HD resolution that showcases every detail with crystal clarity. Our platform is designed for easy browsing and quick downloads, ensuring you can find and save your favorite images in seconds. All content is carefully screened for quality and appropriateness.
Conclusion
We hope this guide on High Precision Adc Board Design Electrical Engineering Stack Exchange has been helpful. Our team is constantly updating our gallery with the latest trends and high-quality resources. Check back soon for more updates on high precision adc board design electrical engineering stack exchange.
Related Visuals
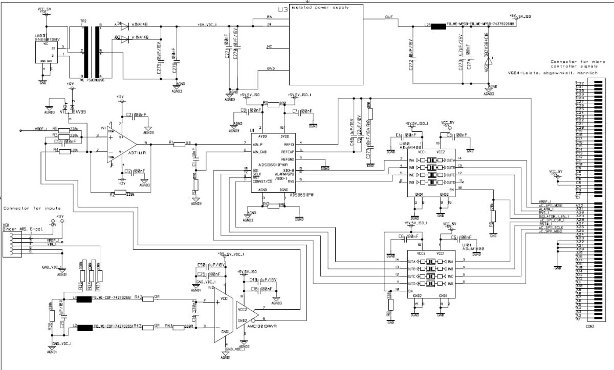
- High precision ADC board design - Electrical Engineering Stack Exchange
- High precision ADC board design - Electrical Engineering Stack Exchange
- High precision ADC board design - Electrical Engineering Stack Exchange
- High precision ADC board design - Electrical Engineering Stack Exchange
- High Precision ADC/DAC Circuit Feedback - Electrical Engineering Stack ...
- pcb design - ADC Circuit Review - Electrical Engineering Stack Exchange
- pcb design - ADC Circuit Review - Electrical Engineering Stack Exchange
- pcb design - ADC Circuit Review - Electrical Engineering Stack Exchange
- Is the design of my ADC correct? - Electrical Engineering Stack Exchange
- Is the design of my ADC correct? - Electrical Engineering Stack Exchange