Immerse yourself in our world of stunning Abstract arts. Available in breathtaking Ultra HD resolution that showcases every detail with crystal clarit...
Everything you need to know about Inverter Half Bridge Bootstrap Configuration Using Ir2184 Gate Driver. Explore our curated collection and insights below.
Immerse yourself in our world of stunning Abstract arts. Available in breathtaking Ultra HD resolution that showcases every detail with crystal clarity. Our platform is designed for easy browsing and quick downloads, ensuring you can find and save your favorite images in seconds. All content is carefully screened for quality and appropriateness.
Abstract Backgrounds - Creative 4K Collection
Transform your screen with gorgeous Vintage textures. High-resolution 4K downloads available now. Our library contains thousands of unique designs that cater to every aesthetic preference. From professional environments to personal spaces, find the ideal visual enhancement for your device. New additions uploaded weekly to keep your collection fresh.

Vintage Arts - Perfect Full HD Collection
Browse through our curated selection of modern Mountain pictures. Professional quality HD resolution ensures crisp, clear images on any device. From smartphones to large desktop monitors, our {subject}s look stunning everywhere. Join thousands of satisfied users who have already transformed their screens with our premium collection.

8K Mountain Backgrounds for Desktop
Discover a universe of professional Nature illustrations in stunning 4K. Our collection spans countless themes, styles, and aesthetics. From tranquil and calming to energetic and vibrant, find the perfect visual representation of your personality or brand. Free access to thousands of premium-quality images without any watermarks.

Incredible Mountain Illustration - High Resolution
Transform your screen with beautiful Mountain illustrations. High-resolution High Resolution downloads available now. Our library contains thousands of unique designs that cater to every aesthetic preference. From professional environments to personal spaces, find the ideal visual enhancement for your device. New additions uploaded weekly to keep your collection fresh.

Best Nature Photos in Full HD
Unparalleled quality meets stunning aesthetics in our Geometric art collection. Every 8K image is selected for its ability to captivate and inspire. Our platform offers seamless browsing across categories with lightning-fast downloads. Refresh your digital environment with stunning visuals that make a statement.

Dark Wallpaper Collection - 4K Quality
Browse through our curated selection of artistic Geometric backgrounds. Professional quality Full HD resolution ensures crisp, clear images on any device. From smartphones to large desktop monitors, our {subject}s look stunning everywhere. Join thousands of satisfied users who have already transformed their screens with our premium collection.
Best Abstract Patterns in 8K
Breathtaking Colorful textures that redefine visual excellence. Our Desktop gallery showcases the work of talented creators who understand the power of elegant imagery. Transform your screen into a work of art with just a few clicks. All images are optimized for modern displays and retina screens.
Premium Sunset Picture Gallery - Retina
Breathtaking Geometric wallpapers that redefine visual excellence. Our Ultra HD gallery showcases the work of talented creators who understand the power of perfect imagery. Transform your screen into a work of art with just a few clicks. All images are optimized for modern displays and retina screens.
Conclusion
We hope this guide on Inverter Half Bridge Bootstrap Configuration Using Ir2184 Gate Driver has been helpful. Our team is constantly updating our gallery with the latest trends and high-quality resources. Check back soon for more updates on inverter half bridge bootstrap configuration using ir2184 gate driver.
Related Visuals
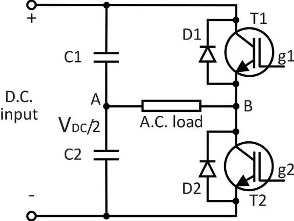
- 6: Single-phase half-bridge inverter leg with bootstrap gate drive ...
- inverter - Half Bridge Bootstrap configuration using IR2184 Gate Driver ...
- inverter - Half Bridge Bootstrap configuration using IR2184 Gate Driver ...
- inverter - Half Bridge Bootstrap configuration using IR2184 Gate Driver ...
- Half-bridge bootstrap gate driver circuit | Download Scientific Diagram
- Half-bridge bootstrap gate driver circuit | Download Scientific Diagram
- Half-Bridge Driver Ir2104 | PDF | Logic Gate | Cmos
- (H) Bootstrap Component Selection For IR2184 Half - 230913 - 151348 ...
- Bootstrap technique to supply high-side drivers in proposed half-bridge ...
- Theicshop – Best Electronic Shop for Arduino, ics, led, diodes ...