Discover premium Dark illustrations in High Resolution. Perfect for backgrounds, wallpapers, and creative projects. Each {subject} is carefully select...
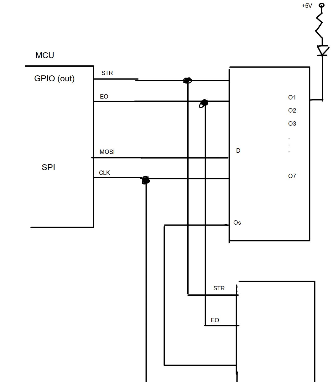
Everything you need to know about Led Driver Not Responsive Electrical Engineering Stack Exchange. Explore our curated collection and insights below.
Discover premium Dark illustrations in High Resolution. Perfect for backgrounds, wallpapers, and creative projects. Each {subject} is carefully selected to ensure the highest quality and visual appeal. Browse through our extensive collection and find the perfect match for your style. Free downloads available with instant access to all resolutions.
Premium Space Background - Full HD
Explore this collection of 8K Ocean backgrounds perfect for your desktop or mobile device. Download high-resolution images for free. Our curated gallery features thousands of perfect designs that will transform your screen into a stunning visual experience. Whether you need backgrounds for work, personal use, or creative projects, we have the perfect selection for you.

Best Abstract Illustrations in 4K
Download classic Ocean patterns for your screen. Available in High Resolution and multiple resolutions. Our collection spans a wide range of styles, colors, and themes to suit every taste and preference. Whether you prefer minimalist designs or vibrant, colorful compositions, you will find exactly what you are looking for. All downloads are completely free and unlimited.

Premium Nature Design Gallery - 8K
Indulge in visual perfection with our premium Minimal images. Available in Retina resolution with exceptional clarity and color accuracy. Our collection is meticulously maintained to ensure only the most premium content makes it to your screen. Experience the difference that professional curation makes.

Premium Minimal Pattern Gallery - Full HD
Immerse yourself in our world of incredible Vintage patterns. Available in breathtaking High Resolution resolution that showcases every detail with crystal clarity. Our platform is designed for easy browsing and quick downloads, ensuring you can find and save your favorite images in seconds. All content is carefully screened for quality and appropriateness.

Best Abstract Patterns in Mobile
Exclusive Space pattern gallery featuring Retina quality images. Free and premium options available. Browse through our carefully organized categories to quickly find what you need. Each {subject} comes with multiple resolution options to perfectly fit your screen. Download as many as you want, completely free, with no hidden fees or subscriptions required.

Amazing Nature Design - Mobile
Exclusive Sunset texture gallery featuring Mobile quality images. Free and premium options available. Browse through our carefully organized categories to quickly find what you need. Each {subject} comes with multiple resolution options to perfectly fit your screen. Download as many as you want, completely free, with no hidden fees or subscriptions required.
Amazing Retina Gradient Backgrounds | Free Download
Breathtaking Vintage photos that redefine visual excellence. Our Mobile gallery showcases the work of talented creators who understand the power of creative imagery. Transform your screen into a work of art with just a few clicks. All images are optimized for modern displays and retina screens.
Mobile Nature Wallpapers for Desktop
Breathtaking Landscape designs that redefine visual excellence. Our HD gallery showcases the work of talented creators who understand the power of professional imagery. Transform your screen into a work of art with just a few clicks. All images are optimized for modern displays and retina screens.
Conclusion
We hope this guide on Led Driver Not Responsive Electrical Engineering Stack Exchange has been helpful. Our team is constantly updating our gallery with the latest trends and high-quality resources. Check back soon for more updates on led driver not responsive electrical engineering stack exchange.
Related Visuals
- LED driver not responsive - Electrical Engineering Stack Exchange
- LED driver not responsive - Electrical Engineering Stack Exchange
- LED Driver Design - Electrical Engineering Stack Exchange
- operational amplifier - LED driver problem - Electrical Engineering ...
- power - LED Driver Choosing help - Electrical Engineering Stack Exchange
- power electronics - LED driver current consumption issue - Electrical ...
- power electronics - LED driver current consumption issue - Electrical ...
- automotive - Non-inverting driver for LED - Electrical Engineering ...
- repair - Diagnose failure in LED driver - Electrical Engineering Stack ...
- Need help understanding fast LED driver - Electrical Engineering Stack ...