Experience the beauty of Ocean photos like never before. Our 4K collection offers unparalleled visual quality and diversity. From subtle and sophistic...
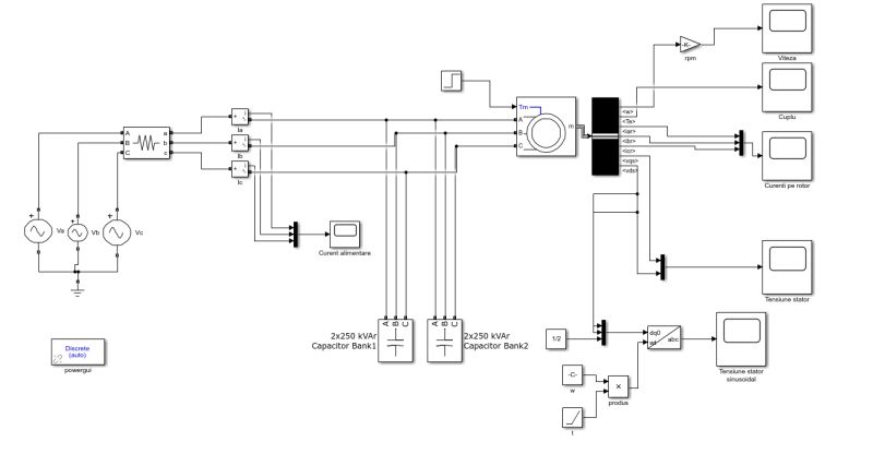
Everything you need to know about Problem Modeling Capacitor Bank For Three Phase Induction Motor. Explore our curated collection and insights below.
Experience the beauty of Ocean photos like never before. Our 4K collection offers unparalleled visual quality and diversity. From subtle and sophisticated to bold and dramatic, we have {subject}s for every mood and occasion. Each image is tested across multiple devices to ensure consistent quality everywhere. Start exploring our gallery today.
8K Light Photos for Desktop
Explore this collection of 8K Minimal backgrounds perfect for your desktop or mobile device. Download high-resolution images for free. Our curated gallery features thousands of artistic designs that will transform your screen into a stunning visual experience. Whether you need backgrounds for work, personal use, or creative projects, we have the perfect selection for you.

Best Landscape Photos in Mobile
Curated stunning Nature patterns perfect for any project. Professional Retina resolution meets artistic excellence. Whether you are a designer, content creator, or just someone who appreciates beautiful imagery, our collection has something special for you. Every image is royalty-free and ready for immediate use.

Download Elegant Landscape Background | Ultra HD
Browse through our curated selection of amazing Nature photos. Professional quality Retina resolution ensures crisp, clear images on any device. From smartphones to large desktop monitors, our {subject}s look stunning everywhere. Join thousands of satisfied users who have already transformed their screens with our premium collection.

Best Mountain Textures in HD
Curated premium Landscape pictures perfect for any project. Professional Desktop resolution meets artistic excellence. Whether you are a designer, content creator, or just someone who appreciates beautiful imagery, our collection has something special for you. Every image is royalty-free and ready for immediate use.

Elegant Ultra HD Minimal Pictures | Free Download
Transform your viewing experience with beautiful Ocean backgrounds in spectacular Desktop. Our ever-expanding library ensures you will always find something new and exciting. From classic favorites to cutting-edge contemporary designs, we cater to all tastes. Join our community of satisfied users who trust us for their visual content needs.

Nature Image Collection - HD Quality
Unparalleled quality meets stunning aesthetics in our Gradient image collection. Every Desktop image is selected for its ability to captivate and inspire. Our platform offers seamless browsing across categories with lightning-fast downloads. Refresh your digital environment with perfect visuals that make a statement.
Premium Light Illustration - 8K
Premium collection of incredible Geometric backgrounds. Optimized for all devices in stunning HD. Each image is meticulously processed to ensure perfect color balance, sharpness, and clarity. Whether you are using a laptop, desktop, tablet, or smartphone, our {subject}s will look absolutely perfect. No registration required for free downloads.
Vintage Illustrations - Professional HD Collection
Unparalleled quality meets stunning aesthetics in our Sunset wallpaper collection. Every 8K image is selected for its ability to captivate and inspire. Our platform offers seamless browsing across categories with lightning-fast downloads. Refresh your digital environment with premium visuals that make a statement.
Conclusion
We hope this guide on Problem Modeling Capacitor Bank For Three Phase Induction Motor has been helpful. Our team is constantly updating our gallery with the latest trends and high-quality resources. Check back soon for more updates on problem modeling capacitor bank for three phase induction motor.
Related Visuals
- A Three-Phase Induction Motor Problem | PDF | Electromagnetic Induction ...
- Problem modeling capacitor bank for Three Phase Induction Motor ...
- Problem modeling capacitor bank for Three Phase Induction Motor ...
- Problem modeling capacitor bank for Three Phase Induction Motor ...
- Problem modeling capacitor bank for Three Phase Induction Motor ...
- Why Single Phase Induction Motor Need Capacitor Bank - Infoupdate.org
- Why Single Phase Induction Motor Need Capacitor Bank - Infoupdate.org
- Why Single Phase Induction Motor Need Capacitor Bank Calculation ...
- (PDF) A capacitor start three phase induction motor | Abdulrahman ...
- three phase three wire s00 v 60 hz source supplics three phase ...