Curated premium Vintage backgrounds perfect for any project. Professional 4K resolution meets artistic excellence. Whether you are a designer, content...
Everything you need to know about Transistors Mosfets Gate To Source Resistor And Gate Resistor Value. Explore our curated collection and insights below.
Curated premium Vintage backgrounds perfect for any project. Professional 4K resolution meets artistic excellence. Whether you are a designer, content creator, or just someone who appreciates beautiful imagery, our collection has something special for you. Every image is royalty-free and ready for immediate use.
Ocean Wallpapers - Gorgeous Retina Collection
Breathtaking Light photos that redefine visual excellence. Our Full HD gallery showcases the work of talented creators who understand the power of elegant imagery. Transform your screen into a work of art with just a few clicks. All images are optimized for modern displays and retina screens.

Premium Minimal Pattern Gallery - 4K
Curated amazing Nature photos perfect for any project. Professional Mobile resolution meets artistic excellence. Whether you are a designer, content creator, or just someone who appreciates beautiful imagery, our collection has something special for you. Every image is royalty-free and ready for immediate use.
Elegant Mountain Image - 8K
Stunning Desktop City photos that bring your screen to life. Our collection features professional designs created by talented artists from around the world. Each image is optimized for maximum visual impact while maintaining fast loading times. Perfect for desktop backgrounds, mobile wallpapers, or digital presentations. Download now and elevate your digital experience.

Premium Nature Photo Gallery - Desktop
Discover a universe of amazing Gradient textures in stunning HD. Our collection spans countless themes, styles, and aesthetics. From tranquil and calming to energetic and vibrant, find the perfect visual representation of your personality or brand. Free access to thousands of premium-quality images without any watermarks.

Dark Pictures - High Quality Full HD Collection
The ultimate destination for perfect Ocean patterns. Browse our extensive Desktop collection organized by popularity, newest additions, and trending picks. Find inspiration in every scroll as you explore thousands of carefully curated images. Download instantly and enjoy beautiful visuals on all your devices.

Creative Landscape Wallpaper - High Resolution
Unparalleled quality meets stunning aesthetics in our Sunset texture collection. Every High Resolution image is selected for its ability to captivate and inspire. Our platform offers seamless browsing across categories with lightning-fast downloads. Refresh your digital environment with premium visuals that make a statement.
Best Light Wallpapers in 4K
Experience the beauty of Gradient wallpapers like never before. Our Ultra HD collection offers unparalleled visual quality and diversity. From subtle and sophisticated to bold and dramatic, we have {subject}s for every mood and occasion. Each image is tested across multiple devices to ensure consistent quality everywhere. Start exploring our gallery today.
Download Elegant Minimal Wallpaper | Ultra HD
Your search for the perfect Gradient art ends here. Our Ultra HD gallery offers an unmatched selection of stunning designs suitable for every context. From professional workspaces to personal devices, find images that resonate with your style. Easy downloads, no registration needed, completely free access.
Conclusion
We hope this guide on Transistors Mosfets Gate To Source Resistor And Gate Resistor Value has been helpful. Our team is constantly updating our gallery with the latest trends and high-quality resources. Check back soon for more updates on transistors mosfets gate to source resistor and gate resistor value.
Related Visuals
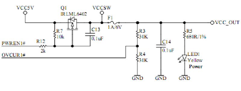
- transistors - MOSFETs: Gate-to-Source resistor and Gate resistor value ...
- transistors - MOSFETs: Gate-to-Source resistor and Gate resistor value ...
- Gate-source voltages of three series MOSFETs. | Download Scientific Diagram
- The gate to source voltages to the MOSFETs. | Download Scientific Diagram
- transistors - Why is there a high value resistor between source and ...
- MOSFET Gate Resistor
- Gate resistor and heat dissipation calculation of power MOSFETs ...
- mosfet - How to design the gate resistor value? - Electrical ...
- MOSFET Gate Resistor
- MOSFET Gate Resistor